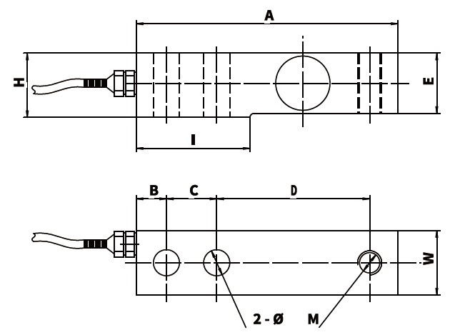
2. 合金鋼懸臂樑結構 SESC
電子型錄下載
SESC(DM).pdf
電子型錄下載
SESC(DM).pdf| Rated Load | 0.5~2t、2.5~5t、6~10t |
|---|---|
| Rated Output | 2.0±0.05mV/V |
| Zero Balance | ±1%F.S. |
| Non-linearity | ±0.03%F.S |
| Hysteresis Error | ±0.03%F.S. |
| Repeatability | ±0.02%F.S. |
| Creep Error(30min) | ±0.03%F.S |
| Temp Effect On Output | ±0.03%F.S./10℃ |
| Temp Effect On Zero | ±0.05% F.S./10℃ |
| Material | Alloy steel |
| Impedance | 350Ω |
| Insulation | ≥5000MΩ / 100VDC |
| Recommended Excitation | 5~15VDC |
| Operating Temp Range | -20℃~80℃ |
| Safe Overload | 150% |
| Maxium Overload | 200% |
| Cable Length | Φ5x3m |
| TRDS | Optional |







