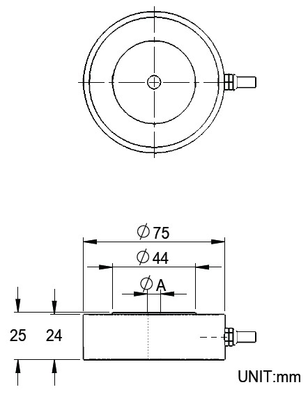
7. ARI743
電子型錄下載
ARI743(DM).pdf
電子型錄下載
ARI743(DM).pdf| Rated load | 10、20、50、100、200 kN |
|---|---|
| Rated Output | 1.0+10% mV/V |
| Zero Balance | ± 2% F.S. |
| Non-linearity | 0.3% F.S. |
| Hysteresis | 0.1% F.S. |
| Creep(30min.) | 0.1%F.S. |
| Temp.effect on span | 0.1%F.S. / 10℃ |
| Temp.effect on zero | 0.1%F.S. / 10℃ |
| Impedance | 700 Ω |
| Insulation resistance | ≥5000MΩ / 100VDC |
| Excitasion voltage | 5~15V |
| Operating temp range | -20~80℃ |
| Safe overload | 120%F.S. |
| Maximum overload | 200%F.S. |
| Cable specifications | φ5x3 |






