- 首頁
- 產品簡介
- C.秤重感應器 / 荷重元
- e. 雙剪樑結構
- DEBA
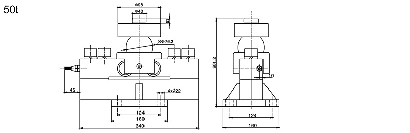
1. 雙剪樑結構 DEBA
電子型錄下載
DEBA.pdf| Rated load | 5t、10t、15t、20t、25t、30t、40t、50t | |||||||
|---|---|---|---|---|---|---|---|---|
| RAccuracy class | C2~C3 | |||||||
| Sensitivity | 2.0± 0.002mV/V | |||||||
| Non-linearity | ± 0.03%F.S | |||||||
| Hysteresis error | ± 0.03%F.S | |||||||
| Creep(30min) | ±0.02%F.S | |||||||
| TC ZERO | ±0.02%F.S/10℃ | |||||||
| TC SPAN | ±0.02%F.S/10℃ | |||||||
| Input resistance | 750±10Ω | |||||||
| Output resistance | 702±3Ω | |||||||
| Insulation resistance | ≥5000MΩ | |||||||
| Nominal Temp Range | -10~+40℃ | |||||||
| Service Temp Range | -30~+70℃ | |||||||
| Safe load limit | 150%F.S | |||||||
| Breaking load | 250%F.S | |||||||
| Nominal of range excitation | 10~12V DC | |||||||
| Protection Class | IP67 | |||||||
| Material | Alloy Steel / Stainless Steel | |||||||
| Cable Length | 5t | 10t | 15t | 20t | 25t | 30t | 40t | 50t |
| 5.2m | 4/8m | 4/10m | 4/10/12m | 4/10/12m | 12/16m | 12/16m | 4/12/16m | |




秤重感應器
桶槽秤
卡車地磅
包裝秤
軌道秤





