- 首頁
- 產品簡介
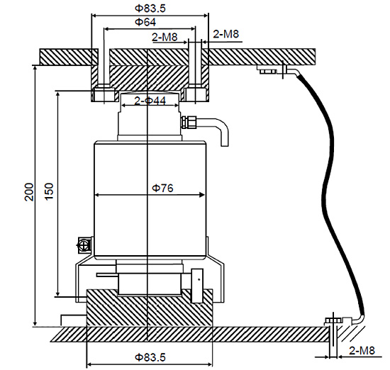
- C.秤重感應器 / 荷重元
- g. 柱式結構
- SRRA
4. 柱式結構 SRRA
電子型錄下載
SRRA(DM).pdf| Rated load | 10、15、20、25、30、40、50t |
|---|---|
| Accuracy class | C3 |
| Sensitivity | 2.0±0.002mV/V |
| Non-linearity | ±0.03%F.S |
| Hysteresis error | ±0.03%F.S |
| Creep error(30min) | ±0.02%F.S |
| TC ZERO | ±0.02F.S/10℃ |
| TC SPAN | ±0.02F.S/10℃ |
| Input resistance | 400±20Ω(ZSF); 700±20Ω(ZSFY) |
| Output resistance | 352±3Ω(ZSF); 706±7Ω(ZSFY) |
| Insulation resistance | ≥5000MΩ |
| Nominal Temp Range | -10℃~+40℃ |
| Service Temp Range | -30℃~+70℃ |
| Safe load limit | 150%F.S |
| Breaking load | 250%F.S |
| Nominal of range excitation | 10~12 VDC |
| Protection Class | IP68 |
| Material | Alloy Steel; Stainless steel |
| Cable Length | 8m(10t); 10m(15t); 12m(20t~25t); 14m(30t); 16m(40t~50t) |

桶槽秤
軸重秤
皮帶秤
配料秤
平台秤
卡車地磅





